当前位置: 岳阳柏奎电磁主页 > 产品中心 > 吊钩秤 >
除铁器
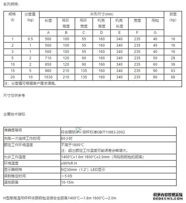
直视耐高温电子吊秤GT2
应用 :
功能特点: ●适用于冶金、钢铁行业等高温工作环境。 ●全钢防撞设计,无缝焊接,防撞、抗干扰能力优越。 ●高精度传感器,充分性耐测试,精度、安全双重保障。 ●采用24位高精
立即咨询 资料下载
答疑服务130-1721-3168

功能特点:

 

●适用于冶金、钢铁行业等高温工作环境。

●全钢防撞设计,无缝焊接,防撞、抗干扰能力优越。

●高精度传感器,充分性耐测试,精度、安全双重保障。

●采用24位高精度AD,1,000,000的内部分辨率带来高精度和高稳定性。

●开关机自动显示电池电压,低电压提示和自动关机,避免因过放电导致的电池损坏。

●标配无线遥控器,20米范围内可控置零、查询、关机等功能。

●超载报警提醒并显示。

●可选配件:无线电数传大屏幕,300米内同步接收和显示称重数据。

直视耐高温电子吊秤

点击我更换图片